All micrographs and text appearing on this site are the exclusive property of the North Dakota State University Electron Microscopy Core and are protected under international copyright treaties. No images are within the public domain.
Images may not be copied, reproduced, redistributed, manipulated, projected, used or altered in any way without the prior express written permission of the owner. Permission is explicitly denied for any republication of text or images in this site without the prior express written consent of the author. This includes publishing in print and on the internet for commercial or noncommercial purposes.
Permission to link to this site from your noncommercial web page is freely given. Direct linking to images is strictly forbidden.
Circuit pads
Feathers
Fruit Fly, Drosophila melanogaster
Human head lice Pediculus humanis
Magnesium hydroxide crystals
Monarch butterfly (Danaus plexippus) wing scales
Mosquito
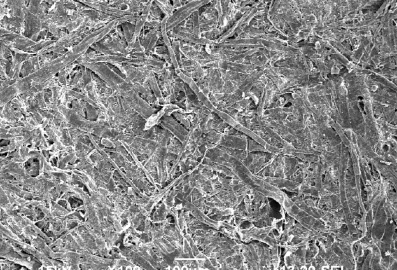
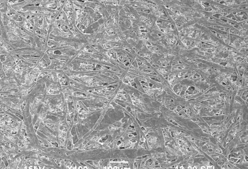
Paper types
Bibulous paper, brown paper towel, carbon-tape removable backing, photographic paper, Whatman No.4 filter paper, yellow adhesive note
Plant pollen
Amaryllis sp.
Pseudoscorpion
A pseudoscorpion is an arachnid arthropod in the order Pseudoscorpionida.
Silver sulfide crystals
Human deciduous teeth
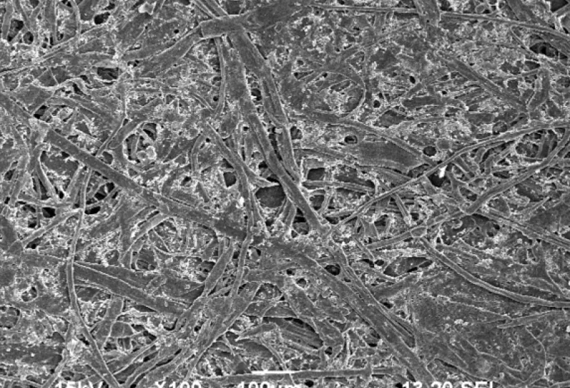
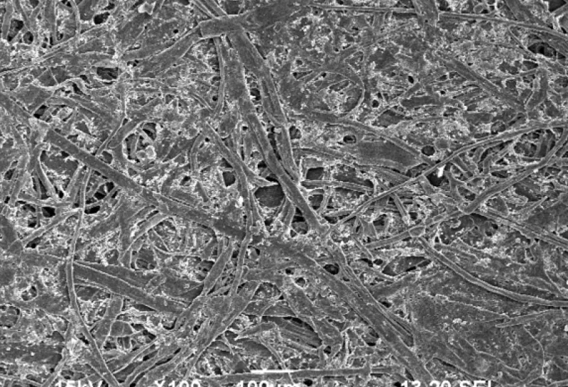
Tissue scaffolds
NDSU researchers at have pioneered the development of advanced tissue scaffolds primarily focused on bone regeneration. The scaffolds are engineered as modular, biodegradable structures that can be customized and enhanced to accelerate bone healing and support tissue engineering applications.
3-D Images
Anaglyph glasses required for dimensional viewing of these scanning micrographs (red-cyan lenses with cyan on right eye)